CQ9(电子中国)官方网站
公司新闻 —CQ9电子-游戏官方网站
平台首页
关于CQ9
返回
CQ9简介
企业文化
核心领域
人才招聘
产品中心
返回
CQ9电子游戏二极管
CQ9电子平台三极管
CQ9集成电路
其他
新闻资讯
返回
公司新闻
行业资讯
联系我们
平台首页
关于CQ9
返回
CQ9简介
企业文化
核心领域
人才招聘
产品中心
返回
CQ9电子游戏二极管
CQ9电子平台三极管
CQ9集成电路
其他
新闻资讯
返回
公司新闻
行业资讯
联系我们
none
新闻资讯
公司新闻
行业资讯
您当前的位置:
首页
>
新闻资讯
>
公司新闻
【公司新闻 】
江苏扬州市探索多学科融合式、场景式课程——运河畔上一堂“流动”的思政课(解码·思
2024-07-08
“同学们,今天我们又来到熟悉的运河畔,运河滋润着扬州的繁华。闭上眼睛,让我们想象一下1000多年前的场景”最近,江苏省扬州市运河三湾公园,来自扬州市翠岗中学初三(6)班的学生,正在这里上......
【公司新闻 】
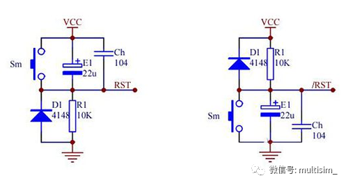
开关二极管电路图开关二极管的工作原理和电路分析
2024-07-07
导通时相当于开关闭合(电路接通),截止时相当于开关打开(电路切断),所以二极管可作开关用,常用型号为1N4148。由于半导体二极管具有单向导电的特性,在正偏压下PN结导通,在导通状态下的......
【公司新闻 】
手机维修电子元器件有哪些手机维修电子元器件简介【详解】
2024-07-07
作为手机维修人员,常见的手机维修过程中,要跟 电子元器件 打交道,今天,就简单的为大家介绍一下,手机内部经常看到摸到和需要更换的电子元器件。 林林总总有十五六种之多。看起来挺多的,多接......
【公司新闻 】
人民日报|江苏扬州探索“运河思政”融合课
2024-07-07
“同学们,今天我们又来到熟悉的运河畔,运河滋润着扬州的繁华。闭上眼睛,让我们想象一下1000多年前的场景……”最近,江苏省扬州市运河三湾公园,来自扬州市翠岗中学初三(6)班的学生,正在这......
【公司新闻 】
昆山新东佳电子有限公司
2024-07-07
企业主要销售品牌包括:英飞凌、欧派克、日本三社、IXYS艾赛斯、西门康、富 士、三菱、仙童、新电源、东芝、IR、摩托罗拉、西门子、英达、三 肯、三洋、APT、ST ABB、西码、CDE等......
<<
<
593
594
595
596
597
>
>>