理想模型指的是在二极管正向偏置时,其管压降为0,而当其反向偏置时,认为它的电阻为无穷大,电流为零.就是截止。恒压降模型是说当二极管导通以后,其管压降为恒定值,硅管为0.7V,锗管0.5V。
当u2是正半周期时,二极管Vd1和Vd2导通;而夺极管Vd3和Vd4截止,负载RL是的电流是自上而下流过负载,负载上得到了与u 2正半周期相同的电压;在u 2的负半周,u 2的实际极性是下正上负,二极管Vd3和Vd4导通而Vd1和Vd2截止,负载RL上的电流仍是自上而下流过负载,负载上得到了与u 2正半周期相同的电压。

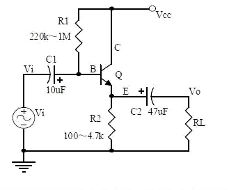
元器件的作用、电路的用途、电压放大倍数、输入和输出的信号电压相位关系、交流和直流等效电路图;

元器件的作用、电路的用途、电压放大倍数、输入和输出的信号电压相位关系、交流和直流等效电路图,电路的输入和输出阻抗特点;
甲乙类功率放大器的工作原理,自举过程,甲类功率放大器,甲乙类功率放大器的特点。