激光二极管本质上是一个半导体二极管,按照PN结材料是否相同,可以把激光二极管分为同质结、单异质结(SH)、双异质结(DH)和量子阱(QW)激光二极管。量子阱激光二极管具有阈值电流低,输出功率高的优点,是目前市场应用的主流产品。同激光器相比,激光二极管具有效率高、体积小、寿命长的优点。
为了使LD高速开关工作,必须对它加上略大于阈值电流的直流偏置电流IBIAS
LD的两个主要参数:阈值电流Ith和斜效率S (Slope efficiency)是温度的函数,且具有离散性。

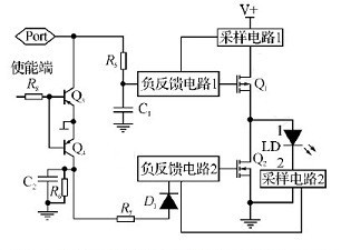
这是个双限流电路,两个限流电路确保通过激光二极管(LD)电流不会超过设定值。具体工作原理。

Q1为P型MOS管,Q2为N型MOS管。流过Q1的电流通过采样电路1变为电压信号与基准电压相比较,通过负反馈电路1控制,可使得流过Q1的电流恒定。通过半导体激光器LD的电流经过采样电路2变为电压信号与电流调节端电压相比较,如果流过半导体激光器的电流超过设定值,经过负反馈电路2调节使得通过Q2的电流增加,导致通过LD电流减小;流过LD的电流太小,经过采样电路2、负反馈电路2调节可使得流过Q2的电流变小,导致流过LD的电流变大,如此反复,通过负反馈电路的控制可使得流过半导体激光器的电流恒定,这种负反馈过程建立的时间很快。
浪涌多发生在功率器件开通和关断的瞬间,因为这个瞬间电路会有很大电流流过或者电路中某个器件两端会有很大的电压。

这种电路是利用功率器件的开通或关断来强制吸收或隔离浪涌对器件的冲击。这个电路作用分三个阶段:
1)在使能端电压为低电平阶段。使能端电压为低电平,Q3导通,通过负反馈电路1的控制,Q1断开,强制隔离电源V+对半导体激光器LD的冲击;使能端为低电平,Q4导通,通过负反馈电路2控制,使Q2导通,这样即使有浪涌冲击,也会被Q2强制吸收,不会影响半导体激光器LD。
2)使能端从低电平到高电平阶段。Q3、Q4断开。设C1上的电压从V+降到基准电压值所要的时间为t1,C2从V+降到电流调节端设定电压值的时间为t2。
调节R5、C1和R6、C2参数可以使得t2mt1。这样在t1阶段,通过负反馈电路1的控制使得Q1慢慢导通,流过Q1电流从零直到恒定,这时由于t2mt1,C2上还有电压,通过负反馈电路2的控制使得Q2处于导通状态,这样流过Q1的电流,以及由于Q1开通产生的浪涌电流全部由Q2吸收,然后随着时间的增加C2电压慢慢降为零,流过Q2的电流慢慢减小,LD上电流慢慢增加直到达到设定值。
3)使能端从高电平到低电平阶段。使能端为低电平Q3,Q4导通。C1由于R5存在,电压从基准电压慢慢升至V+,通过负反馈电路1的控制使得Q1慢慢关断;Q4导通,V+直接给C2充电,电压迅速升为V+,通过负反馈电路2的控制使得Q2迅速导通,这样由于Q1关断产生的浪涌将会被Q2强制吸收。